Thread #2932429
HomeIndexCatalogAll ThreadsNew ThreadReply
H
File: Untitled.png (20.7 KB)
20.7 KB
20.7 KB PNG
So, together with a friend, we have decided to make our own console for fun and giggles. This surely is an undertaking but this is an idea we were considering for a long time and as we got more and more experienced with circuits, embedded programming, 3d printing and stuff like that, I feel like it would be finally in our reach.

I never really looked at other people's similar projects, I have no idea what I'm doing honestly, but I can write code and I can use google so I think we will figure it out and get there eventually.

I will post our progress in this thread.
+Showing all 93 replies.
>>
Since I know pretty much noting about electronics, my friend will be taking care of designing the hardware. It will take a while and since I also do not want to start "production" before I know if this all even makes any sense, I decided to get all the components and assemble a sort of dev board to test things on first. Today I got all the parts needed so I can try to get something working.
>>
Just so you're aware there is a decently large industry for single board computer handheld emulator devices.
I'm not telling you to just buy one but I am bringing this up because if you use a common chipset it is feasible that you could steal a compatible operating system easily so you can focus on the hardware side of things.
E.g. Anbernic Rg35xx
See: retrogamecorps on youtube
>>
I did not expected to have to solder pins, but I guess it won't be a problem with some more flux.
However, the problem is that this esp module is too thick for the breadboard. I really do not want to route all the wires under it.
Should I have gotten two and put the module across two of them?

>>2932435
Well, honestly, I am more interested in the software side. Like I said, I won't be designing hardware, it's what my friend just wants to do.
>>
>>2932429
Just build a portable wii or something. You'll want to kill yourself less afterwards.
>>
>>2932429
https://www.hackster.io/megazoid/crokpocket-a0ff83
>>
Fuck, I pasted everything without realizing there is a protective foil on this plate.

>>2932466
Yea, but that's just hardware modification, it's boring.

>>2932559
That's cool. Maybe we can use this to figure out how to do d-pad. The problem with d-pad is that we are quite limited in space AFAIK.
>>
>>2932429
None of these chips have clock rates > 1 GHz or RAM in excess of 1 GB. You can't emulate much on that. Unless you're slapping a FPGA in there you need at least 1 GHz clock rate and 1 GB RAM to emulate everything SNES and before.

A FPGA would also allow you to prototype hardware for what is essentially your motherboard, so you could design it in the FPGA with the plan to integrate it with the FPGA. Then from there implement it in hardware and work out the bugs.
>>
>>2932987
Not OP but the SNES has a clock speed of a few MHz (less than an arduino uno) and less than 1MB of RAM. Obviously running an emulator would require more processing power than having dedicated hardware but how did you arrive at the conclusion that nothing short of a microprocessor clocked at 1GHz at least and coupled with no less than a Gigabyte of ram will do?

This guy made an NES emulator using an ESP32 and an AVR chip to interface with the controls, none of which have specs even remotely close to the ones you listed: https://www.instructables.com/ESP32-Handheld-Game-Console/
>>
>>2932987
Gameboy is like 8MHz + 16 KB RAM. ESP32 should be more than enough for that.
>>
I think you should be focusing on building something that can run existing emulators rather than thinking about building a device that games could be made for.
If you got no games, you got no gaming console.
>>
>>2933116
That would be more productive, but it's not something I would like to focus on to be honest. Porting and debugging whole ass emulator to an embedded environment is not really most interesting thing to do. Especially considering that I rather use Rust and would like to learn more about using it for embedded programming and Lua.

However there might be a nice way to do both actually. I might simply use PICO-8 API for making games, making this effectively a hardware to run PICO-8 games. This would be the best of two worlds, I would have an existing database of games, a software emulator and I would get to write some embedded Rust+Lua code. And PICO-8 API is tiny, it's only like 20-40 non-standard Lua functions.
>>
File: out.mp4 (3.9 MB)
3.9 MB
3.9 MB MP4
Yey

Anyone has any idea why does the screen grid is offset? The absolute size is correct but top left corner of physical pixel grid seems to actually be at x=1, y=2. I have to be drawing to 1..160 x 2..129 inclusive in order for the image to properly align with the pixel grid. Might this be specific to this particular display model or maybe manufacturing problem?
>>
>>2933176
>6 breadboards
>1.9" screen
Nice Gamebuoy
>>
Update. I had to rewire stuff to fit everything but now it's all connected(except for gain). Still haven't programmer and tested it but that will come next.
In the mean time, I tried to get Lua running but that's not exactly straightforward for Rust on esp32. I don't think anyone has done it yet and the existing libraries only really target x86 and wasm. But there exist a C++ IDF Lua module and WIP Rust Lua interpreter, which gives a couple of options:
>get that interpreter running on esp (currently it causes stack overflow for some reason, even at 32k stack. some corruption maybe?)
>get lua-src to compile Lua on xtensa, trying to imitate that IDF Lua, so mlua library can work
>try to integrate IDF Lua module directly into the project and write my own bindings/wrapper
Every option requires some non-trivial work and neither is guaranteed to work. However the first one would probably be the nicest since it would give us full control over the interpreter. We could emulate Pico-8 fixed point precision and whatever other wacky idea they had. But I have no idea how stable and usable this project is. The author still seems to be actively working on it so I could try contacting him. Alternatively second option, if it works, it would give us really nice, battle-tested bindings, since mlua is quite popular library.
3rd option would probably take most work and would suck so better save it for last.
>>
>>2934941
Also, I forgot to mention. The first option is probably the only one that would allow us to ditch esp-idf and FreeRTOS altogether and go pure Rust + esp-hal + embassy. esp-hal seems to be nicer to work with since it cuts down all these abstractions and is better documented. Also async > RTOS.

>>2933300
These things, they take time.
>>
>>2934948
Yes, these things do take time. They also take 6 breadboards.
>>
>>2935026
Final hardware will be designed later. Think of this as a devkit.
>>
>>2935029
Is that a devkit on 6 breadboards in your pocket, or are you just happy to see me?
>>
what are you all doing
>>
>>2935031
Right now? I'm carving a watermelon for Summerween.
>>
>>2935031
Speedrunning work so I can start testing if all the components works properly.
>>
>>2933300
>>2935026
>>2935030
I don't see how the number of breadboards that are used matters at all.
>>
>>2935092
The more breadboards the betterer. The Atari Lynx started out on 37 breadboards.
>>
Got Lua working using piccolo(Lua interpreter in Rust)!
Turned out sdkconfig should be in the workspace root rather than specific crate's directory. Without that it defaulted to 3k stack size.
Also got analog stick working and implemented deadzone. I also ditched embedded graphics core and wrote my own functions that operate on framebuffer instead of directly on screen. Drawing framebuffer is still synchronous since that's how the random st7735 library I found works, so I will have to write custom driver based on DMA and interrupts. It will probably require double buffering/swap chain I guess.
>>
>>2935536
Bro what do you want to run on it
>>
>>2935539
Pico-8 for now
>>
>>2932429
>ESP32

You need the Bluetooth version so you can hack satellites.

Why not include a minidisc player while you’re at it for Sony PSP emulation
>>
File: out.mp4 (3.6 MB)
3.6 MB
3.6 MB MP4
Calibration.
Now, all the peripherals are connected and tested(except sdcard). Next, I will try to get rig off ESP-IDF and FreeRTOS and try to get it all running on baremetal with embassy. I hope this will enable me to do get high framerate and sound in the background while main task will be taking care of Lua side of things.

>>2935876
>Why not include a minidisc player
That would require dedicated hardware and emulating real console is too much work.
>>
>>2936462
4/10
needs moar breadboards
>>
>>2936462
+1 breadboard for microSD breakout
+1 breadboard for charge circuit
+1 breadboard for audio amp
+1 breadboard for speaker
+1 breadboard for battery
+1 breadboard for power switch
+1 breadboard for volume pot
+1 breadboard for power LED
+1 breadboard (with SMA connectors) for external wifi/BT antennas
>>
>>2938086
>>
>>2932429
Not a diy, more of a humanities type of guy but I can point out a couple of things you should look out for based on the OP image.

>emulation
Would have a lot of legal concerns if encouraged by you, or made profit off of you. It's still technically illegal, so letters would start piling up. A way around it would be to make it have an OS that had emulation systems built in already, like android, and provide a legal way for customers to emulate (also for free?)

>easy to make games for
Modern game engines require some heft, if you want it to be have games on a larger scale you might want to have beefy specs. Also consider what game engines are compatible with which OS, and how multilayer would work
>>
>>2934941
So now you're porting Pico-8 instead of a normal emulator anyway. You wanted to avoid porting but you still have to do it.
Coulda had good gaymes but now you've got Pico 8.
>>
File: out.mp4 (3.7 MB)
3.7 MB
3.7 MB MP4
>>2938143
I'm just making a console for myself and friends. There will be no legal concerns, it's not a commercial product.

>>2938265
Well, I do not know of any open source pico-8 emulator, so it's more like writing a new one from scratch rather than porting. This is close to what I originally planned which was just our own Lua based runtime for games that would be yet to be written. But now we have a reference and an existing library of games to play. Emulating real hardware or porting an existing emulator would take quite more work and wouldn't really be that interesting imo, even if the games could potentially be more interesting to play. We could always add more emulation options later, I am already considering porting doomgeneric to this too.
We have already got a basic emulation, memory layout and IO going and now we are tackling API functions one after another. However the lua library we use depend on std so it will have to be ported to the nostd environment. In the meantime I made this tool that lets me dump profiling data from chip and displays it on a time chart when I press the boot button on dev board. Tracking task timings was made trivial thanks to ditching rtos/esp-idf for embassy/esp-hal. The size of flash has decreases from 1.3MB to 50KB too and gave me more control. It's much nicer to work with embedded Rust this way.
>>
Bump because I am back from vacations and the project is still ongoing.

Only after moving to esp-hal, I realized I2S support is not that great compared to SPI/DMA. I only use it for sound which probably won't be needed for a while, but since I already set my oscilloscope up and prepared test program, I might as well go for it and implement other standards beyond the most basic stereo TDM Phillips.
Well, if I knew just how many different standards and moving parts there is to I2S I would probably procrastinated on it longer, but it's too late now. Now I bury myself in technical references to see how to properly implement at least remaining TDM standards and channel configurations it for the whole esp32 family.
>>
>>2932429
Im just gonna buy one.
>>
>>2938086
Fuck off... haha. I just came here to laugh at you. The portapack has all that and more, but i dont want your faggotry infecting the discord. Keep your zoomer Gameboy in the trash where it belongs.
>>
>>2941117
How many breadboards does it take to prototype a Breadboy?
>>
>>2941221
this is now officialy named the breadboy
>>
>>2941225
It could have different cases like white, rye, whole grain, pumpernickel, etc. Tomato, sliced pickle, onion, and bun for buttons. Make the SD card slot like a little toaster with orange LED. Put bezel art around the screen that looks like a lunch box.
>>
I've thought about making my own handheld, but I realized that if I'm just going to make something that just emulates old handheld and console games then I might as well just not bother. But if I have fun with it and create a custom UI, I either need to figure out how to make it compatible with existing games, find games that might already work with similar controls, or I'd need to make games explicitly for that interface, all of which just seems like it'd suck the fun out of it.

>>2933116
>If you got no games, you got no gaming console.
That never stopped Sony before.

>>2932466
>Just build a portable wii or something.
How exactly would that even work with games that need motion controls?
>>
>>2941346
>That never stopped Sony before.
So you think they're shit and that's the project you want to follow in the footsteps of?
>But if I have fun with it and create a custom UI
You can make a UI that launches an existing emulator.
>I either need to figure out how to make it compatible with existing games.
That's called an emulator.
>find games that might already work with similar controls
How are you going to run those games to even accept those controls? It's an emulator again.
>or I'd need to make games explicitly for that interface
Not going to happen.
You're bumping up against the fact that the hardware side of this is just some buttons and an abstraction layer, and it's the software that is actually significant work.
You're basically saying that the frontend sounds fun, and the backend sounds boring, but for some reason you refuse to use a pre-existing backend.
>>
>>2941413
>So you think they're shit and that's the project you want to follow in the footsteps of?
Memes.

>You can make a UI that launches an existing emulator.
I meant the actual, physical interface. I don't just want to copy the same button layout every game console has had since the Dual Shock came out on PS1.

The Wii was the last game console I can think of to actually do something different with its controls.
>>
Check out muh Nitender Oui-oui.
>>
>>2941566
>I meant the actual, physical interface. I don't just want to copy the same button layout every game console has had since the Dual Shock came out on PS1.
All games are going to be based on a pre-existing console. All you would be doing is putting your buttons in a different physical location, but still mapping them to the locations a normal controller would have.
It's still just buttons + abstraction + emulation. You're just putting the buttons somewhere else. The game has no way of knowing that and doesn't care.
What alternative to this do you see? I don't understand what you're driving at or what you want from this project.
>>
>>2941630
You can do whatever you want. I'm just saying that I've thought about making my own custom handheld, but felt that if I couldn't really do something better than what's already out there then there really isn't a point to making custom hardware for gaming.

If I remember right, the PS2 had analog/pressure sensitive face buttons, but barely any games took advantage of that fact besides MGS3. And the Sega Genesis port of Street Fighter II had a clunky control scheme where pressing Start switches between punches and kicks on the 3 face buttons with the 6-button controller made for better compatibility with arcade ports.

But at what point does it all just become an excessive amount of shit?
>>
>>2941346
>How exactly would that even work with games that need motion controls?
While that design doesn't specifically have it installed, you just need to rewire in the bluetooth module from the original board and hotglue two IR leds in the case. Yeah you'd need a separate wii control for it but this mod is specific for gamecube games. Also I think there are software options to map motion controls to the sticks. Pick your poison I guess.
>>
>>2941709
>I'm just saying that I've thought about making my own custom handheld, but felt that if I couldn't really do something better than what's already out there then there really isn't a point to making custom hardware for gaming.
Ah, I see. I thought you were still trying to find some way to make the project worthwhile, but that was my misunderstanding.
I agree that this is a pointless project. The kind of thing you do for the sake of doing it.
>But at what point does it all just become an excessive amount of shit?
I get what you mean. There's only so much space we actually need to map out.
I'm actually pretty happy with the standard DualShock layout. I think you can do some interesting stuff with layers and context dependency like MGSV.
>>
Back to square one(0-indexed).
I got I2S driver to do what I needed and rewrote everything to no-std.
Now it's time to port the lua vm to no-std.
Pic related is current, improved communication with the touch screen. Since I got oscilloscope hooked I also checked how did the previous one perform and I have no idea how did it even work. It completely shit on the protocol, yet somehow managed to work by pure chance. No wonder why I was getting sort of noise in position, it is so much more precise now. Not that I will even be needing touch screen much but it's still nice to see things work properly.
>>
>>2943777
>Now it's time to port the lua vm to no-std.
And it's done. It took me way less time than I expected. It turned out that someone has already been working on a no_std PR some time ago and it was just manner of rebasing it to newest changes.
Since I already had interface for pico8 prepared for the test native emulator, it only took a little wrestling with psram to just get it running on the chip.
Now it's time to implement rest of pico8 api.
>>
Bump because progress.

Not much to show off visually right now.
Pico-8 uses fixed point Q16.16 math and to make the emulation accurate I will have to change the lua interpreter to do the same. I could probably just use some general purpose fixed point library, but I decided to roll my own code since I want to try some interesting trig approximations I have seen recently. So far I managed to write/wrap integer-style math methods. Trigs, pows, logs, etc will come next.

In the meantime I also wrote script to embed Pico-8 system font in the code and support for in-memory custom fonts. There isn't any way to see them until I implement print() function though.
>>
File: Figure_1.png (236.3 KB)
236.3 KB
236.3 KB PNG
This was way more difficult than I thought, but after spending quite some time researching and modeling things in Desmos, I managed to implement all the math functions I needed. They should be quite fast, possibly faster than polyfilled float math, and precision is acceptable. The pic related shows the error(in multiplies of machine epsilon, 1/2^16). However this is not comparison to exact values but to what pico8 uses. My algorithms are actually more precise, but based on values pico8 returns I suspect they use lookup tables for trigonometry and possibly exp/ln that might be used for computing exponentiation. That's where this fuzz comes from, especially in sin/cos. They do not interpolate the values from these tables, just pick one the nearest.
Later I might try different methods, including lookup tables and benchmark them. But having 100% precise math emulation is not important right now, or ever really. It can be done later.
>>
>>2932429
Your project is perfect!!! a few more adjustments and it could become real.
>>
>>2932466
I believe you posted a portable GameCube
>>
>>2948433
Well, I am going to make it real, duh.
>>
>>2948439
Great !!! I will follow this thread even more, I hope to be able to contribute to your project.
>>
>>2948440
>I hope to be able to contribute to your project.
Well, you can if you want. This is open source and open hardware so anyone can contribute really.
Are you experienced in Rust or in circuit board design? Although the repo doesn't have any documentation for external contributors for now, some todo list always could be arranged. There is plenty of work to be done on many of the modules in the project.
If not, you can always just make a game for it. One of my friends who isn't a programmer has already submitted one. In that case you won't even need anything from me right now. The games will run on Pico-8 emulator and you can use official pico-8 documentation and emulator(free education edition) to make games. I am going to include bunch of these games in the stock rom/cartridge for the console. The game can be anything really, but memes are encouraged.
Resources: https://www.lexaloffle.com/pico-8.php?page=resources
Emulator: https://www.pico-8-edu.com/
>>
File: out.mp4 (3.9 MB)
3.9 MB
3.9 MB MP4
The project goes on.

I forked the lua library and made it run fully on fixed point math, no more floats and integers. That took a while and I had to abandon all lua stdlib but that's fine since pico-8 doesn't use it either.
Having fixed point numbers used everywhere have weird consequences. For example, tables and strings that grow past 2^15, return negative lengths because of wrapping. Lists in particular are susceptible to this, once all whole number indexes are used up, they just return size 0 and keep pushing new elements into 1th index. Strings on the other hand can grow past 2^16, but that means part of it can be not addressable.
I am not going to try to match all these weird behaviors for now. Instead I will just crash game when it tries to create such pathological collections. Considering how resource constrained pico-8 is and that no official or unofficial documentation ever mentions it, mostly likely no game would ever depend on this weird behavior.
Next, the lua library will have to be changed to use p8scii encoding natively. Right now, it works with any ascii extension, so this probably won't be that much of a deal like math. The lua will probably also have to somehow be aware of pico memory model in order to support custom operators like peek and poke.
>>
I extended piccolo's lexer to support all these non standard operators. The amount of operators grew like 2-3 times because of all the assigment shorthands, extra bit operators, pointer dereference/peek and so on. Even though piccolo is quite simple, it does have fancies like const evaluation and so and all these new operators will have to be implemented in these contexts which will take some work for sure.
I also made strings use p8scii encoding and escape codes and handle some subtle undocumented differences like escaped new line followed by whitespaces. There is actually quite a lot nuance in this. Pico internally uses p8scii encoding, which is their own proprietary 8-bit encoding that extends on the printable ASCII range. However cartridges are meant to be edited by external editors and therefore use standard, utf8 encoding. Converting from one to another is kind of chore but also leads to a problem. Converting from p8scii to utf-8 is trivial and infallible, doing it the other way around is not. Vast majority of unicode characters are not representable in p8scii and the utf-8 itself could be malformed. Now, this is way beyond the documented behavior nor it should ever happen in real world scenario, but I still have chosen to emulate pico-8 behavior as best as I can, and since it does accept malformed utf-8 with unknown characters I did so as well, in the very same way. Which was not that easy to get right but it's working, as validated by tests. We have 140 tests right now.
In the mean time my friend wrote routines to import cartridges and more api functions. Once we get full pico-8 dialect implemented and cartridges loading and working, we plan to make end-to-end testbed that will launch our emulator and official emulator and compare results. Then we will prepare dozens or hundreds of test cartridges that run each api function simulating various edge cases. This will be our primary way of testing the api probably.
>>
Forgot pic

>>2933121
>And PICO-8 API is tiny, it's only like 20-40 non-standard Lua functions.
Heh, heh, heh...
Do you remember how naive I was? I do.
>>
Alright, I wrote testbed working. Now we can compare our implementation against the official emulator. The test crate elevates libtest functionality so it integrates nicely with our existing tests and can easily be ran from IDE along with debugger and other fancies.
One downside of doing tests like this is that I can't put them into github actions because I am not allowed to install official emulator on any computer that I am not the primary user as per license. Dunno if github action environment counts as a computer that I am the primary user, but probably not.
But I can install it on my server and if I want to, I could expose it as a service, Pico-8 as a Service(P8aaS) and run use that in my gh actions pipeline.
In the meantime, friend worked on improving lua interpreter to enable things like stack traces which are required for some API functions and for debugging in general. On that front, we still need to actually implement parsing and evaluation of pico-8 specific lua operators and that's what I will do next probably. After that, we will only have to implement rest of the API for sort of MVP state.
>>
>>2932987
You are right about the performance and clock speeds but FPGA dev is its own thing, if you have no prior experience with them it's not feasible to use them for a project of this scope. It's always fun when some of the software guys at work think that it can't be that bad, "it's just code" and choose to use one in their prototype board only to realize that they are fucked and have no idea of how to do even the basics.
>>
>>2955242
With right I meant that FPGAs are better emulation platforms, not that you need that performance to emulate those simple devices, of course you can unless you write the shittiest code ever
>>
God speed op
>>
>>2956227
>>
Very cool project. my crazy/autistic dream project is to make an ergonomic split controller with arcade buttons and trackballs and full one handed functionality for each hand so I can play two games at once to stimulate neuroplasticity.
>>
>>2932429
>Android phone+ cooling+buttons
Gg ez
>>
>>2956228
>>2956227
Hello, this is Li with Nintendo
Please send me your name and address
>>
>>2932466
what is it with people with penguin claws, they always gotta post pictures of the claws, nobody wants to see your damn claws
>>
>>2956255
Are u a cute anime girl that likes peanut bubber
>>
>>2956328
I am the man in charge of legal department
Please send me requested info
>>
File: tests.gif (1.4 MB)
1.4 MB
1.4 MB GIF
With testbed ready I could start writing test carts and now it's time to implement graphics APIs. And damn, despite apparent simplicity PICO-8 has a lot of intricacies to its functions. There are 4 types of palettes, pen colors, fill patterns, graphic modes and so many random flags that can change the behavior of these functions. Most games probably use only a small fraction of its capabilities, but there is a ton of stuff packed into this api. I also uncovered some undocumented bullshit, like hidden state that is not actually fully encoded in its memory and mere updating single byte at specific position to the same value it is already holding can have undocumented sideeffects on function of some apis. I really hope there is not many hidden stuff like that or this is going to be major pain in the ass to get 100% compatibility.
I also spent some time making a visualization of the tests. Since I control how its all executed I can dump that data and visualize it. Pic related shows all the cartridge based tests as they are executed on the official emulator. The border becomes red as soon as any discrepancy in behavior is detected and it gives some summary with general progress for completeness. It isn't that much useful, but it does give us nice visual feedback on our progress.

>>2956227
>>2956228
That's really cool. is this your project? What have you used for d-pad?
>>
>>2959054
>Is this your project
Yeah, it is very basic assembled on perf board.

I used these buttons with a soft plastic top. I picked these because unlike most other buttons they are not clicky

I also got some regular button caps, glued a plastic bottom and used that on top of the actual button
>>
>>2959054
Oh, I didn't see you were asking about the game pad. But the same idea, I used 4 of those soft plastic buttons and got a replacement gamepad for nes which somehow fitted on top
>>
File: tests.gif (3.8 MB)
3.8 MB
3.8 MB GIF
I've finished all the graphical primitives, sprites and friend has finished text related functions. Which means all the graphical API got finished(except for one function). That is not all of the graphics related functionality though, there is still bunch of registers that can alter how things are drawn, but they can wait for later.
With majority of pico8 api implemented I can start running games. Friend's game worked on first try and so does all the carts I wrote so far. However only in the emulator. If I try to run anything but basic carts on the esp I quickly run out of stack or heap or both. This calls for refactor and optimizations, and that's what I will focus on right now.

>>2959096
>>2959100
Thanks. I will try to do something similar to include d-pad in final version too. It will be much better suited for pico8 games than an analog.
>>
>>2961131
lol rust
>>
>>2961139
Can't blame them, it's easier
>>
Well, we got a problem. While I took some time to clean things up, refactor the code and fix some things that never worked before(eg backtraces) I figured out that the crashes I was getting on the real hardware were caused by strange psram corruption. Eventually I realised I configured it wrong, but even after changing it from quad to octal(which fixed size detection which was broken) more and more weird things started happening. Sometimes the probe couldn't connect to the board, even if I managed to flash it 90% of time it just gets stuck in rom bootloader, sometimes it just seemingly halts when I try to add the memory region to its dedicated allocator. I am suspecting some hardware issue since I did run it wrongly configured for a good while and fucked up connecting it some time ago drawing too much power through gpio. But I also don't see why would it manifest like that, it might as well be problem with probe software or compiler miscompilation or something with my code or even usb port. Either way I ordered another dev kit and will have to test various set ups in both Rust and maybe C++-IDF and try to nail down the actual cause.
>>
>>2964080
>Well, we got a problem.
I think you need more breadboards and longer wires.
>>
File: out.mp4 (2.9 MB)
2.9 MB
2.9 MB MP4
I resolved the issue. I misunderstood board pinout and used pins which which are used by octal PSRAM. I assumed I have quad and not octal ram since it failed to boot when configured as octal(because the pins were wired to touchscreen/sdcard), while quad "worked" but with that corruption.
But after fixing that it all just began to work correctly. I managed to launch friend's game and also quickly wrote breakout to test real time controls.
However I couldn't launch any games from splore(pico8 game repository/browser) since I am still missing some important api functions. So that's what I will be taking care of next. Map support first.
>>
>>2966575
Looking good. I noticed your webms haven't don't have sound. Have you got the audio circuitry working yet?
>>
>>2966636
The audio circuitry and driver/task are there and do work, I can play pcm samples. But I do not emulate PICO-8 sound system yet. That will be the next big thing to do after graphics, but I think I will save it for last since it's not really essential to play games. PICO provides basically a tracker with 4 channels, with some predefined and custom waveforms and bunch of filters. That will be much tricker to emulate somewhat accurately than graphisc and I never wrote synthesizer before.
>>
>>2932429
>>2932431
>as we got more and more experienced with circuits, embedded programming, 3d printing and stuff like that,
Ok go on..
>Since I know pretty much noting about electronics, my friend will be taking care of designing the hardware.
And stop there

You need to go

>>2932438
>this esp module
Get the fuck out

You've lied about everything.
You don't know shit about electronics.
You had a soiboi pipe dream and put your friend up to doing the entire design, if he chose that board he also doesn't know shit about anything.
2 soibois hot gluing eBay modules in a box then calling themselves geniuses
>>
>>2967191
>I know pretty much noting about electronics
>You've lied about everything. You don't know shit about electronics.
>>
>>2967212
>Hurr we e learned a lot about electronics and circuits
Seriously, kill yourself
>>
File: tests.gif (3.6 MB)
3.6 MB
3.6 MB GIF
>>2966575
I'm back from Christmas break and finished map support. That's the last graphics api function minus the linet which I'm sure is only used by pseudo-3D games. Getting that one work perfectly the same as in PICO-8 will probably be quite tricky, so I will save it for latter.
Now it's time to implement all the random miscellaneous functions and registers that I have not takes into account so far. Once that done I should be able to just run pretty much any existing 2D PICO-8 game.
>>
>>2938514
>embassy
pretty cool stuff. will try when i work with a microcontroller next.
>>
File: tests.gif (1.8 MB)
1.8 MB
1.8 MB GIF
Table related functions WIP
These ones are quite tricky because most of them interact with metamethods in suprising ways.

>>2970457
Good luck
>>
>>2932987
>you need at least 1 GHz clock rate and 1 GB RAM to emulate everything SNES and before
During snes times noone even knew what giga was
>>
>>2973219
Zsnes and Snes9x ran at full speed on a 90Mhz Penitum CPU with a 1MB RAM VGA card.
>>
>>2973222
>>2973219
Maybe anon means to emulate it all at the same time???
>>
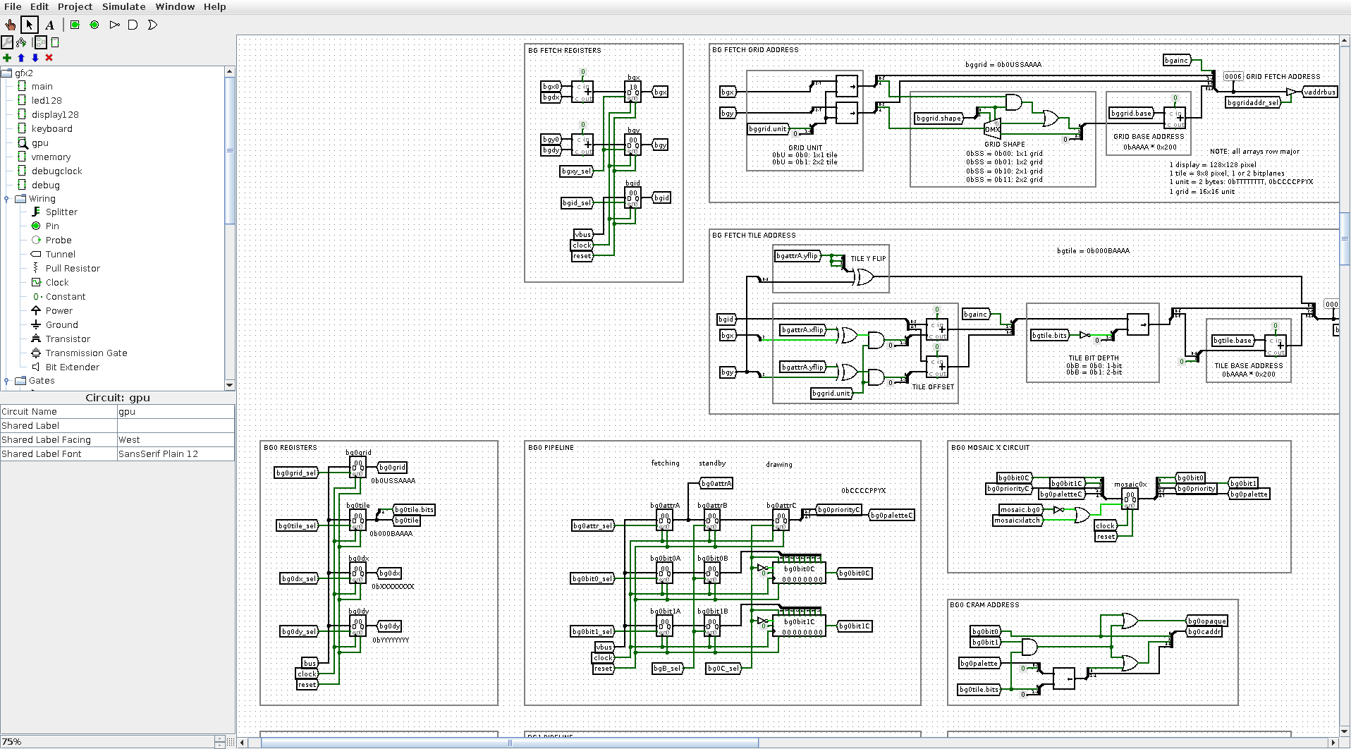
i just finished designing the digital logic of a tile-based graphics circuit inspired by the snes
it's got pretty much all of the features of the snes, except for mode 7, the high-res modes, and per-tile background offset modes. it's an 8-bit circuit with output resolution is 128x128 pixels.
pic related is a portion of the background circuit
>>
File: tests.gif (1.9 MB)
1.9 MB
1.9 MB GIF
Alright. While working on tables I realized I was quite careless on whenever some functions return nils or empty values, which is not the same thing. I also learned about some functions that return more values than it is documented.
So I spent time revisiting all the tests and fixing all the functions. I also realized that quite a lot of basic functions were not correctly behaving in some edge cases so I worked on fixing the basics. It's a shame how things are, 80% of progress is done 20% of time, and the rest is just ironing out all the bugs and incompatibilities. And I still haven't even begun to use fuzzing to really reach for that 100%.
Anyway, now I have all the more basic functions behaving correctly(except trace maybe) and finally coroutines support. The most painful was probably tonum(str, flags). Pico-8 uses like 6 different ways of parsing numbers depending on context and configuration and it took a lot of experimenting to reverse engineer all of them. But I think I got them all. And I also went back to fix number to decimal string conversion, it now should be 100% equivalent.

>>2974692
Pretty cool. Are you using any chips for that or just designing it from basic gates? Do you plan to realize it in real hardware?

Reply to Thread #2932429


Supported: JPG, PNG, GIF, WebP, WebM, MP4, MP3 (max 4MB)